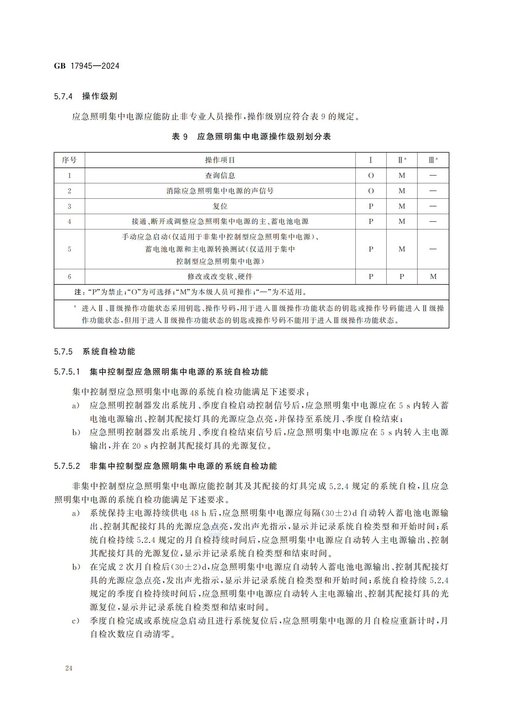
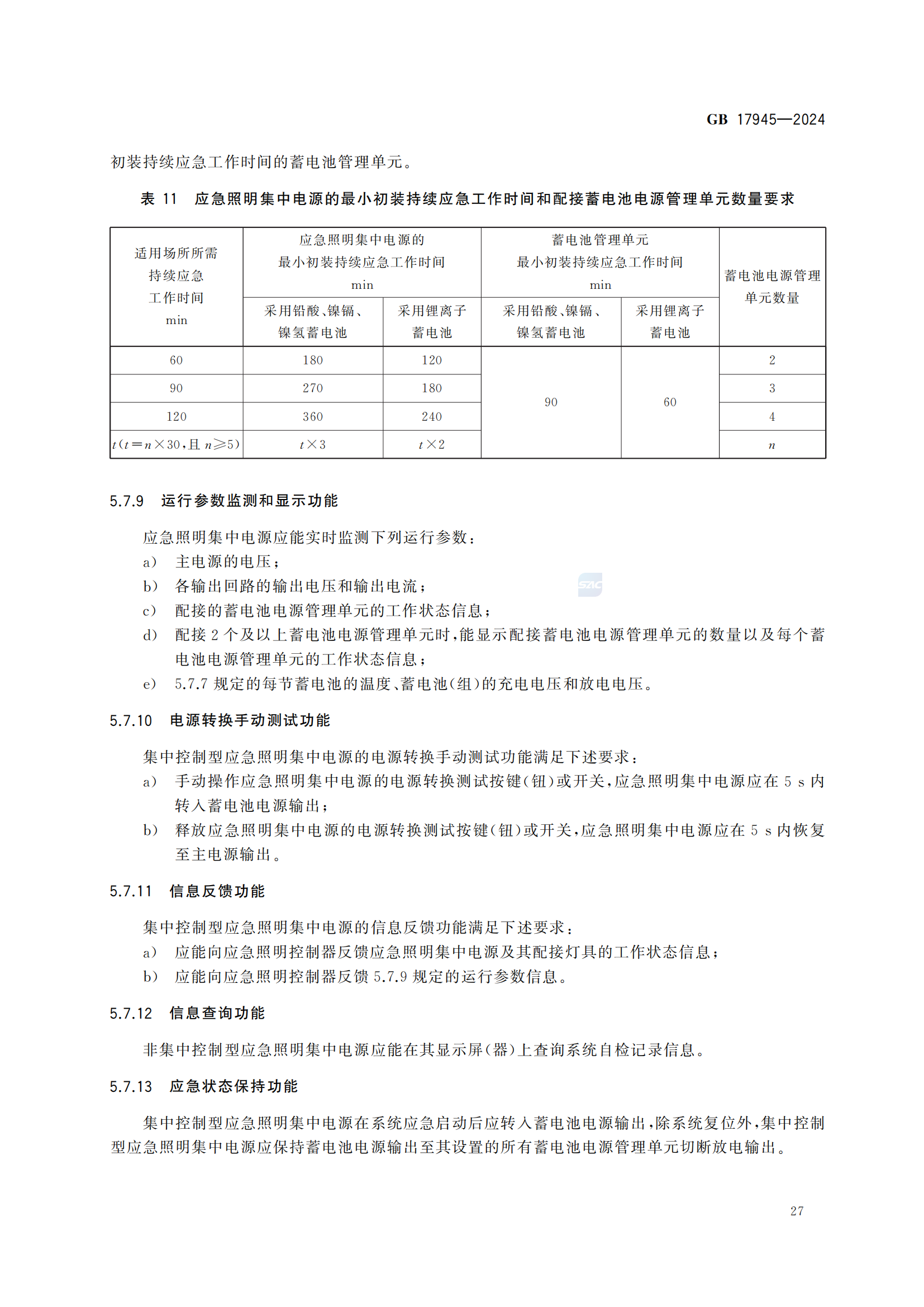
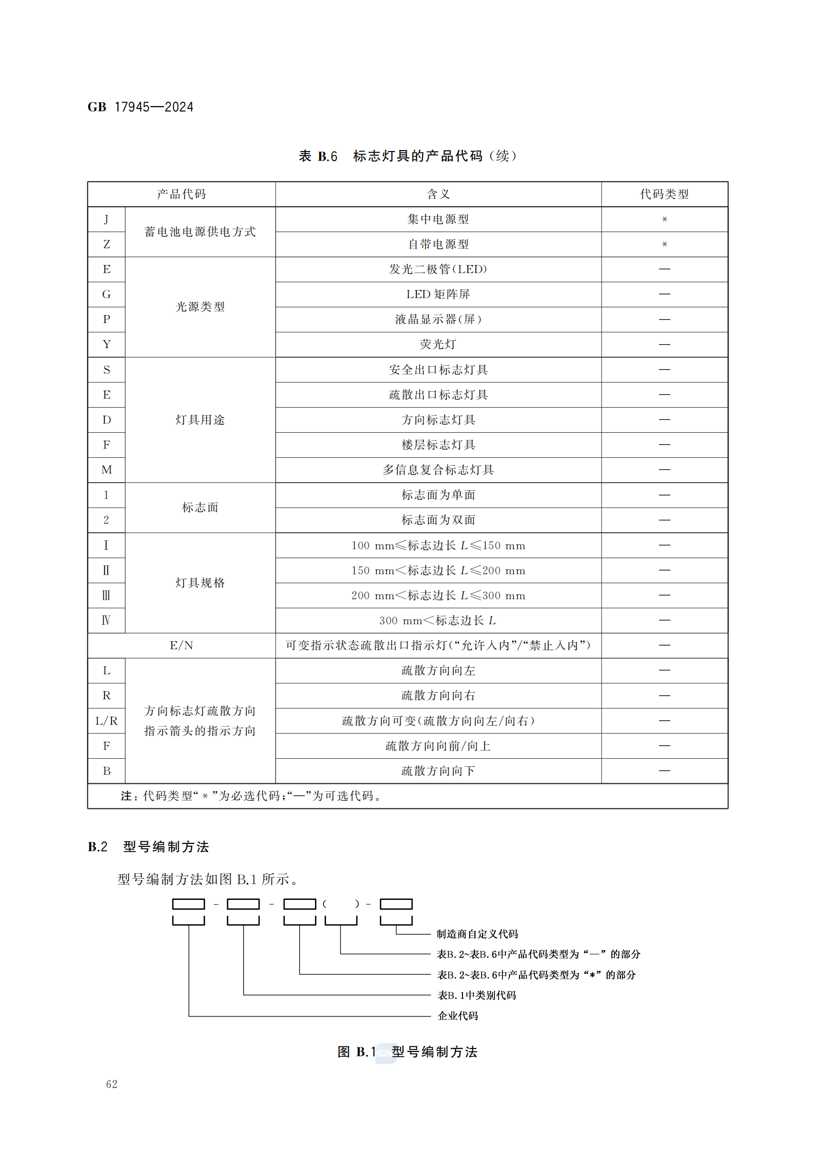
协会首页 新闻资讯 通知公告 会员风采 协会党建 法规标准 专题报道 安全培训 协会介绍
首页 >
法规标准 >
详情
《消防应急照明和疏散指示系统》GB+17945-2024
发布日期:2025-08-27 14:55 点击数:3287