协会首页
新闻资讯
通知公告
会员风采
协会党建
法规标准
专题报道
安全培训
协会介绍
首页
>
法规标准
>
详情
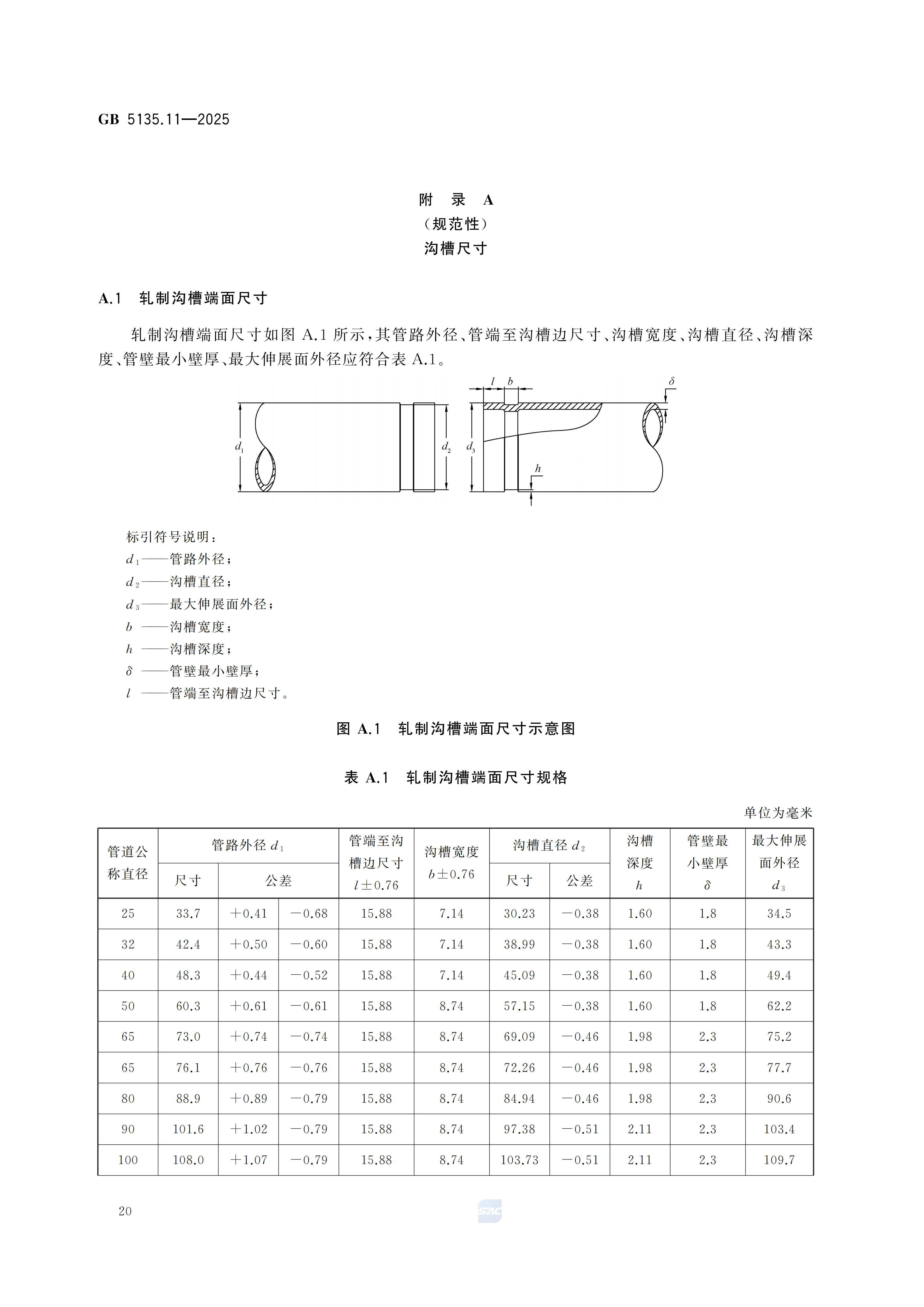
GB+5135.11-2025《自动喷水灭火系统第11部分:沟槽式管接件》
发布日期:2025-12-24 10:28
点击数:3506
GB+5135.11-2025《自动喷水灭火系统第11部分:沟槽式管接件》.pdf